팝니다 상세페이지
올테크(ALL TECH)

오축가공기 (WIA,Hi-MOLD 560/5A)

가격협의
  • 분류 오면가공기
  • 제조회사 WIA
  • 제조년도 2012년 04월
  • 제품위치 경남
  • 제품상태 아주좋음
  • 규격 Hi-MOLD 560/5A
  • 담당자 올테크
  • 이메일 wacom777@naver.com
제품 및 부속품 설명

ㅡ.CNC : SIMENS 840D(최신형 SIMENS SYSTEM으로 교체 함)

ㅡ.교육용으로만 사용(상태 : 최상)

ㅡ.년식 : 2012

ㅡ.상태 : 최상,시운전가능

(제원표 참조)

ㅡ.TABLE : Φ500×270

ㅡ.최대 적재량 : 250Kg

ㅡ.SPINDLE RPM : 24,000

ㅡ.주축구동방식 : BUILT IN

ㅡ.(X,Y,Z) : 1,000×560×450

ㅡ.급이송속도(A/C) : 100/170 r/min

ㅡ.TOOL : 24本

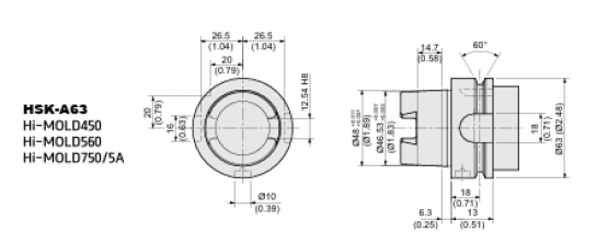
ㅡ.주축공구형식 : HSK-A63

ㅡ.공구교환시간(CHIP TO CHIP) : 5.5SEC

ㅡ.기타사항 : 현장도

브라우저 최상단으로 이동합니다
회사명머신딜 주소경상남도 김해시 상동면 상동로 263-63 사업자등록번호606-86-58041 대표최성복 관리자곽지영
전화번호055-328-0777 FAX055-328-9777 관리자010-4851-0111 이메일bok1977@hanmail.net 개인정보책임보안관리자최성복 머신딜은 상업적인 사이트가 아닙니다. 모든 유후설비를 적재적소에 배치하여 영세 중소기업인의 영업활동을 도와
세계에서 가장 건실한 인프라가 구축된 국가로 만들기 위해 존재합니다. 유후설비가 없는 나라!! 대한민국을 위하여!!! - 머신딜
Copyright © MACHINEDEAL ORG. All rights reserved.